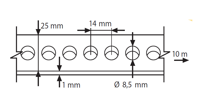
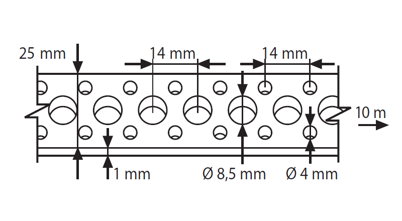
Herstellung von Lochbändern

1

Maßgeschneiderte Produkte

2

Umgehende Lieferung

3

wettbewerbsfähige Preise

Kontakt

Tel: +34 93 771 56 39 | Fax:

web@deu.es

Zahlreiche Lösungen

Kontakt

Herstellung von Lochbändern

TEL. +34 93 771 56 39

FX.

web@deu.es

Pol. Ind. Ca n’Estella. C/ Edison 90
08635 Sant Esteve Sesrovires BCN España

Hinterlassen Sie uns eine Nachricht